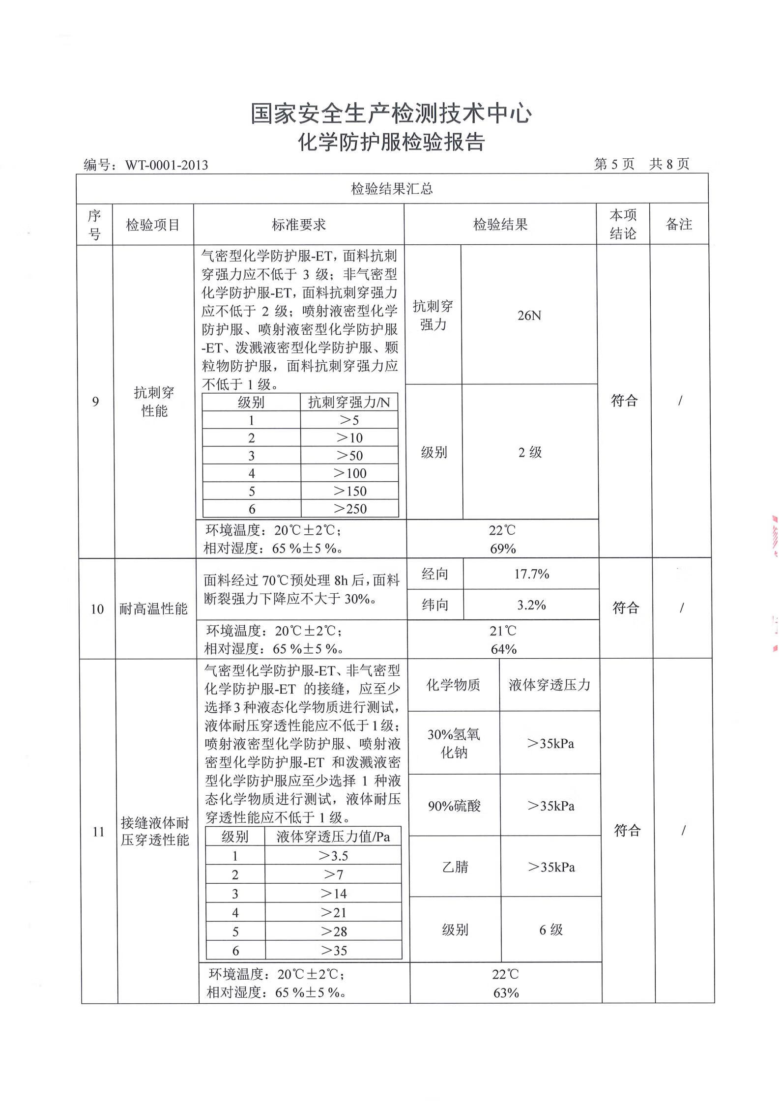
![]() |
|
TYCHEM 杜邦 Tychem C级 化学防护服 黄色 M
价格
122.00
重量
0.500 KG
数量
联系我们联系方式采购热线:400-010-0660邮箱:mro@okorder.com 在线留言
|
相关产品
成楷科技 CKB-MKP-17S 200度带压堵漏防护服 防蒸汽阻燃服 隔热耐高温防护服 S码
成楷科技(CK-Tech)防蜂服 CKB-F09-1 高端连体工作服 防水防蜂蛰 耐穿刺面料 白色L码
成楷科技CKB-MKP-17阻燃防蒸汽服 管道堵漏抢修 200度隔热耐高温防护服 藏青色 M码 1套
成楷科技 CKB-Y102 分体双层成人雨衣 雨裤套装加大电动车摩托车单人雨衣 均码
成楷科技 CKB-MF071 反光棉袄 反光棉衣 加厚反光雨衣 反光工装服 荧光黄M码可定制
成楷科技 CKB-MF071 反光棉袄棉衣 加厚反光雨衣 反光工装服 荧光黄XL码可定制
|



